产品中心
- 电控位移台
- HMRS电控旋转台系列
- HMTS精密电控平移台
- HMGC精密电控倾斜台
- HMVS精密电控升降台
- HMDOM整体多维电控镜架
- HMTMS整体多维电控平移台
- PAM系列压电螺钉致动器
- SMC步进电机控制器
- 电控位移台组合示例
- 手动位移台
- BPRS精密旋转台系列
- BPTS精密平移台系列
- BVTS精密升降台系列
- BTP精密倾斜台系列
- BTG精密角位台系列
- BTMS整体多轴位移台系列
- 手动位移台组合系列
- 光学调整架
- 新品镜架
- 光束转折镜架
- 光学衰减镜架
- 可调/同轴透镜架
- 反射/分光镜架系列
- 五维干涉仪镜架
- 万向镜架
- 可调式底片固定架
- 棱镜台
- 偏光镜架
- 光阑系列
- 狭缝系列
- 观察屏/激光挡板
- 光纤调整架
- 精密光纤调整架
- 光纤调整架配件
- 支杆底座
- 底板系列
- 压板系列
- 磁力底座
- 接杆系列
- 杆架系列
- 支撑棒系列
- 直角固定块系列
- 光学滑轨系列
- 光具座配件
- 光学平台
- 光学平板
- 光学面包板
- 阻尼隔振光学平台
- 气浮隔振光学平台
- 光学罩箱
- 光学平台支架
- 仪器架
- 工作站
- 光学仪器
- 光栅单色仪
- 光源
- 锁相放大器
- 光学元件
- 透镜
- 反射镜
- 棱镜、偏振片
- 波片
- 滤光片
- 光栅、显微物镜
- 激光防护眼镜
- 订制系统
结构特点:
平移台采用精密直线导轨(图 1) 导向, 精度高, 承载大; 采用精密研磨滚珠螺杆(图 2) 传动, 传动效率高, 精度 好。安装精密直线光栅尺, 定位精度高。步进电机驱动, 运行平稳、可靠。主体采用硬质铝合金, 表面黑色阳极氧 化处理, 外形美观。 精密直线导轨(图 1) 由滑轨、滑块、滚珠、滚珠保持器、回珠槽等部件组成。通过钢珠在滑块 和滑轨之间无限滚动循环, 使得负载平台能够沿着导轨以高精度进行线性运动, 并且将摩擦系数降至传统滑动 导引的五十分之 — , 从而轻松达到高精度的定位。

基于直线导轨的结构, 线性导轨具有以下特点:
1、摩擦阻力小:由于是点面接触, 摩擦阻力很小, 可以实现细微的运动和高精度的定位。
2、承载能力强:滚珠有自身的滚动槽, 受力分散, 能够承受较大的载荷。
3、低摩擦热量:运作时不易产生摩擦热量, 不易受热变形, 适用于高速运动。
4、高精度:通常各滚珠列的接触角为 45。, 使滑块上的四个方向(径向、反径向和侧向) 均具有相同的额定载荷, 确保高精度的运动。
滚珠螺杆(图 2) 主要由螺杆、螺帽、钢珠、循环系统所构成。是—种钢珠介于螺帽与螺杆之间做运动, 将传统螺 杆的滑动接触转换成滚动接触, 再将螺帽内的钢珠回转运动转为直线运动的传动机械组件。滚珠螺杆具有定位 精度高、可逆性、高效率、长寿命、高速度传动等特性。
主要特点包括:
1、高效率:滚珠在螺杆和螺母之间滚动, 摩擦损失小, 传动效率高。
2、高精度:螺杆经过研磨加工, 导程精度高。
3、低起动扭矩:滚珠螺杆滚珠滚动接触, 起动力矩小即可克服摩擦力。
4、轴向刚度高:通过预压可以增加轴向刚度, 使滚珠螺杆在受力时不易变形。
5、可逆性:滚珠螺杆不能自锁, 具有传动的可逆性, 即可以正向和反向传动。
6、长寿命:由于减少了摩擦, 运行过程中产生的热量和磨损较小, 滚珠螺杆的使用寿命长。
型号 (进口光栅尺) | HMTS311GSA | HMTS312GSA | HMTS313GSA | HMTS314GSA | HMTS315GSA | HMTS316GSA | HMTS317GSA |
行程(mm) | 50 | 100 | 150 | 200 | 250 | 300 | 400 |
台面尺寸(mm) | 120×120 | 120×120 | 120×120 | 150×120 | 150×120 | 150×120 | 165×160 |
导轨 | 线性滑块 | ||||||
螺杆导程(mm) | 4 | 5 | |||||
光栅尺分辨率(mm) | 0.0001 | ||||||
最大速度(mm/s) | 20 | 40 | 50 | ||||
轴向间隙(mm) | <0.005 | ||||||
步进电机(1.8。) | 42步进电机 | 56步进电机 | |||||
最大静转矩(Ncm) | 40 | 50 | 170 | ||||
中心负载(kg) | 20 | 30 | 50 | ||||
自重(kg) | 3.6 | 4 | 4.3 | 5.8 | 6.1 | 6.7 | 12 |
运动直线度(mm) | 0.01 | 0.015 | 0.02 | ||||
运动平面度(mm) | 0.015 | 0.02 | 0.025 | ||||
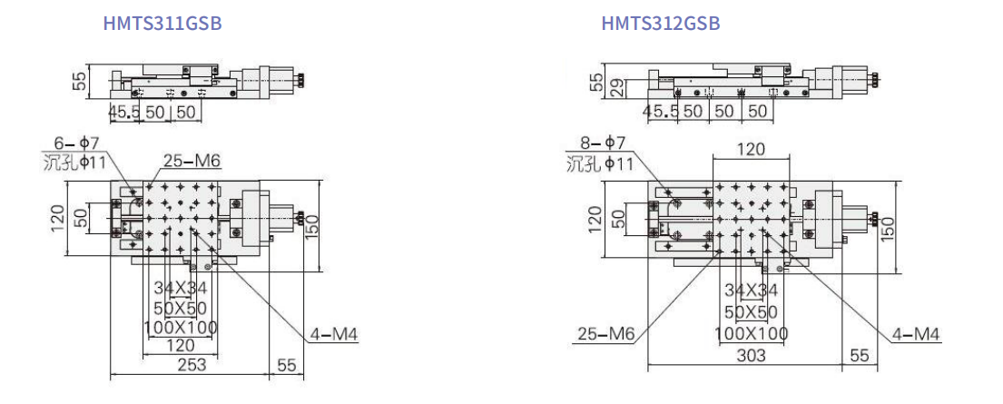
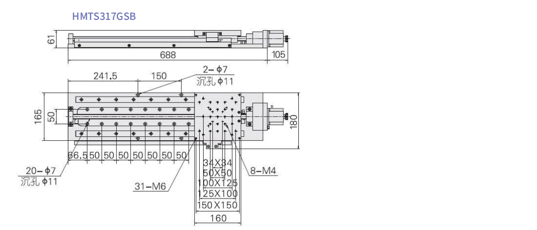
型号 (国内光栅尺) | HMTS311GSB | HMTS312GSB | HMTS313GSB | HMTS314GSB | HMTS315GSB | HMTS316GSB | HMTS317GSB |
行程(mm) | 50 | 100 | 150 | 200 | 250 | 300 | 400 |
台面尺寸(mm) | 120×120 | 120×120 | 120×120 | 150×120 | 150×120 | 150×120 | 165×160 |
导轨 | 线性滑块 | ||||||
螺杆导程(mm) | 4 | 5 | |||||
光栅尺分辨率(mm) | 0.0001 | ||||||
最大速度(mm/s) | 20 | 40 | 50 | ||||
轴向间隙(mm) | <0.005 | ||||||
步进电机(1.8。) | 42步进电机 | 56步进电机 | |||||
最大静转矩(Ncm) | 40 | 50 | 170 | ||||
中心负载(kg) | 20 | 30 | 50 | ||||
自重(kg) | 3.6 | 4 | 4.3 | 5.8 | 6.1 | 6.7 | 12 |
运动直线度(mm) | 0.01 | 0.015 | 0.02 | ||||
运动平面度(mm) | 0.015 | 0.02 | 0.025 | ||||













