产品中心
- 电控位移台
- HMRS电控旋转台系列
- HMTS精密电控平移台
- HMGC精密电控倾斜台
- HMVS精密电控升降台
- HMDOM整体多维电控镜架
- HMTMS整体多维电控平移台
- PAM系列压电螺钉致动器
- SMC步进电机控制器
- 电控位移台组合示例
- 手动位移台
- BPRS精密旋转台系列
- BPTS精密平移台系列
- BVTS精密升降台系列
- BTP精密倾斜台系列
- BTG精密角位台系列
- BTMS整体多轴位移台系列
- 手动位移台组合系列
- 光学调整架
- 新品镜架
- 光束转折镜架
- 光学衰减镜架
- 可调/同轴透镜架
- 反射/分光镜架系列
- 五维干涉仪镜架
- 万向镜架
- 可调式底片固定架
- 棱镜台
- 偏光镜架
- 光阑系列
- 狭缝系列
- 观察屏/激光挡板
- 光纤调整架
- 精密光纤调整架
- 光纤调整架配件
- 支杆底座
- 底板系列
- 压板系列
- 磁力底座
- 接杆系列
- 杆架系列
- 支撑棒系列
- 直角固定块系列
- 光学滑轨系列
- 光具座配件
- 光学平台
- 光学平板
- 光学面包板
- 阻尼隔振光学平台
- 气浮隔振光学平台
- 光学罩箱
- 光学平台支架
- 仪器架
- 工作站
- 光学仪器
- 光栅单色仪
- 光源
- 锁相放大器
- 光学元件
- 透镜
- 反射镜
- 棱镜、偏振片
- 波片
- 滤光片
- 光栅、显微物镜
- 激光防护眼镜
- 订制系统
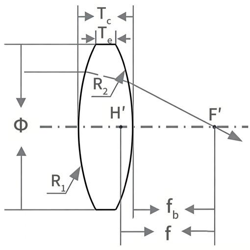
产品介绍
材料:精退火 K9 光学玻璃
焦距误差:±2%
设计波长:587.6nm
中心厚度误差:±0.2mm
透镜定心误差:<3 分
直径误差:+0.0/-0.1mm 面型:<λ/4@632.8nm
表面光洁度:3 ~ 4 级 倒边:0.2mm×45。
产品参数
注:部分规格可加工石英材料透镜。
型号 | 直径 (mm) | 焦距 (mm) | 背焦 (mm) | R1=-R2(mm) | 中心厚度 (mm) | 边厚 (mm) |
OCL3-010-010 | 10.0 | 10.0 | 8.240 | 9.42 | 4.87 | 2.00 |
OCL3-012-012 | 12.5 | 12.5 | 10.514 | 11.89 | 5.55 | 2.00 |
OCL3-012-025 | 12.5 | 25.0 | 24.138 | 25.4 | 2.6 | 1.04 |
OCL3-025-025 | 25.0 | 25.0 | 21.846 | 24.19 | 8.96 | 2.00 |
OCL3-025-040 | 25.0 | 40.0 | 38.158 | 40.40 | 5.50 | 2.99 |
OCL3-040-040 | 40.0 | 40.0 | 35.236 | 38.85 | 13.59 | 2.50 |
OCL3-050-050 | 50.0 | 50.0 | 44.097 | 48.59 | 16.85 | 3.00 |
OCL3-100-100 | 100.0 | 100.0 | 89.981 | 98.50 | 31.52 | 4.00 |
产品图纸






