产品中心
- 电控位移台
- HMRS电控旋转台系列
- HMTS精密电控平移台
- HMGC精密电控倾斜台
- HMVS精密电控升降台
- HMDOM整体多维电控镜架
- HMTMS整体多维电控平移台
- PAM系列压电螺钉致动器
- SMC步进电机控制器
- 电控位移台组合示例
- 手动位移台
- BPRS精密旋转台系列
- BPTS精密平移台系列
- BVTS精密升降台系列
- BTP精密倾斜台系列
- BTG精密角位台系列
- BTMS整体多轴位移台系列
- 手动位移台组合系列
- 光学调整架
- 新品镜架
- 光束转折镜架
- 光学衰减镜架
- 可调/同轴透镜架
- 反射/分光镜架系列
- 五维干涉仪镜架
- 万向镜架
- 可调式底片固定架
- 棱镜台
- 偏光镜架
- 光阑系列
- 狭缝系列
- 观察屏/激光挡板
- 光纤调整架
- 精密光纤调整架
- 光纤调整架配件
- 支杆底座
- 底板系列
- 压板系列
- 磁力底座
- 接杆系列
- 杆架系列
- 支撑棒系列
- 直角固定块系列
- 光学滑轨系列
- 光具座配件
- 光学平台
- 光学平板
- 光学面包板
- 阻尼隔振光学平台
- 气浮隔振光学平台
- 光学罩箱
- 光学平台支架
- 仪器架
- 工作站
- 光学仪器
- 光栅单色仪
- 光源
- 锁相放大器
- 光学元件
- 透镜
- 反射镜
- 棱镜、偏振片
- 波片
- 滤光片
- 光栅、显微物镜
- 激光防护眼镜
- 订制系统
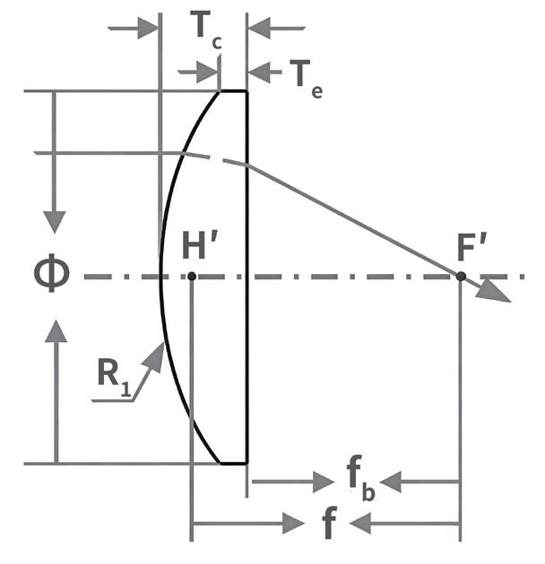
材料:精退火 K9 光学玻璃或紫外熔石英
焦距误差:±2%
设计波长:587.6nm
中心厚度误差:±0.2mm
透镜定心误差:<3 分
直径误差:+0.0/-0.1mm
面型:<λ/4@632.8nm
表面光洁度:3 ~ 4 级
倒边:0.2mm×45。
型号 | 直径 (mm) | 焦距 (mm) | 背焦 (mm) | 半径 (mm) | 中心厚度 (mm) | 边厚 (mm) |
OCL1-010-012 | 10.0 | 12.5 | 9.929 | 6.46 | 3.90 | 1.53 |
OCL1-010-016 | 10.0 | 16.0 | 13.890 | 8.26 | 3.20 | 1.52 |
OCL1-010-020 | 10.0 | 20.0 | 18.217 | 10.36 | 2.80 | 1.51 |
OCL1-010-025 | 10.0 | 25.0 | 23.353 | 12.91 | 2.50 | 1.49 |
OCL1-010-032 | 10.0 | 31.5 | 29.992 | 16.27 | 2.30 | 1.51 |
OCL1-010-040 | 10.0 | 40.0 | 38.606 | 20.65 | 2.10 | 1.49 |
OCL1-010-050 | 10.0 | 50.0 | 48.723 | 25.84 | 2.00 | 1.51 |
OCL1-010-O63 | 10.0 | 63.0 | 61.686 | 32.50 | 1.90 | 1.51 |
OCL1-010-100 | 10.0 | 100.0 | 98.885 | 51.64 | 1.70 | 1.46 |
OCL1-015-020 | 15.0 | 20.0 | 16.711 | 10.40 | 5.00 | 1.78 |
OCL1-015-060 | 15.0 | 60.0 | 58.507 | 31.02 | 2.30 | 1.38 |
OCL1-020-030 | 20.0 | 30.0 | 27.025 | 15.50 | 4.50 | 0.84 |
OCL1-020-050 | 20.0 | 50.0 | 47.231 | 25.84 | 4.20 | 2.19 |
OCL1-025-025 | 25.0 | 25.4 | 18.031 | 13.11 | 11.16 | 2.00 |
OCL1-025-027 | 25.0 | 26.7 | 20.440 | 13.80 | 9.50 | 1.55 |
OCL1-025-032 | 25.0 | 31.5 | 26.328 | 16.27 | 7.86 | 2.00 |
OCL1-025-040 | 25.0 | 40.0 | 35.893 | 20.65 | 6.21 | 2.00 |
OCL1-025-050 | 25.0 | 50.0 | 46.096 | 25.84 | 4.70 | 1.47 |
OCL1-025-052 | 25.0 | 52.2 | 49.146 | 27.00 | 4.70 | 1.63 |
OCL1-025-063 | 25.0 | 63.0 | 59.472 | 32.50 | 4.00 | 1.50 |
OCL1-025-076 | 25.0 | 76.0 | 73.632 | 39.28 | 3.60 | 1.56 |
OCL1-025-080 | 25.0 | 80.0 | 77.385 | 41.30 | 3.94 | 2.00 |
OCL1-025-100 | 25.0 | 100.0 | 97.674 | 51.64 | 3.54 | 2.00 |
OCL1-025-125 | 25.0 | 125.0 | 122.882 | 64.55 | 3.22 | 2.00 |
OCL1-025-160 | 25.0 | 160.0 | 158.055 | 82.62 | 2.95 | 2.00 |
OCL1-025-200 | 25.0 | 200.0 | 198.190 | 103.28 | 2.76 | 2.00 |
OCL1-025-250 | 25.0 | 250.0 | 248.570 | 129.24 | 2.61 | 2.00 |
OCL1-025-315 | 25.0 | 315.0 | 313.678 | 162.79 | 2.00 | 1.50 |
OCL1-025-400 | 25.0 | 400.0 | 397.564 | 206.10 | 2.38 | 2.00 |
OCL1-025-500 | 25.0 | 500.0 | 498.472 | 258.18 | 2.30 | 2.00 |
OCL1-025-800 | 25.0 | 800.0 | 798.880 | 413.44 | 1.70 | 1.50 |
OCL1-025-1000 | 25.0 | 1000.0 | 998.830 | 516.50 | 2.15 | 2.00 |
OCL1-040-050 | 40.0 | 50.0 | 42.142 | 25.84 | 11.98 | 2.50 |
OCL1-040-063 | 40.0 | 63.0 | 56.752 | 32.50 | 9.38 | 2.50 |
OCL1-040-080 | 40.0 | 80.0 | 74.927 | 41.30 | 7.67 | 2.50 |
OCL1-040-100 | 40.0 | 100.0 | 95.699 | 51.64 | 6.53 | 2.50 |
OCL1-040-125 | 40.0 | 125.0 | 121.260 | 64.55 | 5.68 | 2.50 |
OCL1-040-160 | 40.0 | 160.0 | 156.730 | 82.62 | 4.96 | 2.50 |
OCL1-040-200 | 40.0 | 200.0 | 197.070 | 103.28 | 4.45 | 2.50 |
OCL1-040-250 | 40.0 | 250.0 | 247.610 | 129.24 | 4.06 | 2.50 |
OCL1-040-500 | 40.0 | 500.0 | 497.830 | 258.18 | 3.28 | 2.50 |
OCL1-050-063 | 50.0 | 63.0 | 53.223 | 32.50 | 14.73 | 3.00 |
OCL1-050-080 | 50.0 | 80.0 | 72.446 | 41.30 | 11.43 | 3.00 |
OCL1-050-100 | 50.0 | 100.0 | 93.771 | 51.64 | 9.45 | 3.00 |
OCL1-050-160 | 50.0 | 160.0 | 155.469 | 82.62 | 6.87 | 3.00 |
OCL1-050-250 | 50.0 | 250.0 | 246.700 | 129.24 | 5.44 | 3.00 |
OCL1-050-500 | 50.0 | 160.0 | 497.212 | 258.18 | 4.21 | 3.00 |
OCL1-100-160 | 100.0 | 100.0 | 146.253 | 82.62 | 20.85 | 4.00 |
OCL1-100-250 | 100.0 | 250.0 | 241.370 | 129.24 | 14.05 | 4.00 |
OCL1-100-500 | 100.0 | 500.0 | 494.129 | 258.18 | 8.89 | 4.00 |
注:部分规格可加工石英材料透镜。






