产品中心
- 电控位移台
- HMRS电控旋转台系列
- HMTS精密电控平移台
- HMGC精密电控倾斜台
- HMVS精密电控升降台
- HMDOM整体多维电控镜架
- HMTMS整体多维电控平移台
- PAM系列压电螺钉致动器
- SMC步进电机控制器
- 电控位移台组合示例
- 手动位移台
- BPRS精密旋转台系列
- BPTS精密平移台系列
- BVTS精密升降台系列
- BTP精密倾斜台系列
- BTG精密角位台系列
- BTMS整体多轴位移台系列
- 手动位移台组合系列
- 光学调整架
- 新品镜架
- 光束转折镜架
- 光学衰减镜架
- 可调/同轴透镜架
- 反射/分光镜架系列
- 五维干涉仪镜架
- 万向镜架
- 可调式底片固定架
- 棱镜台
- 偏光镜架
- 光阑系列
- 狭缝系列
- 观察屏/激光挡板
- 光纤调整架
- 精密光纤调整架
- 光纤调整架配件
- 支杆底座
- 底板系列
- 压板系列
- 磁力底座
- 接杆系列
- 杆架系列
- 支撑棒系列
- 直角固定块系列
- 光学滑轨系列
- 光具座配件
- 光学平台
- 光学平板
- 光学面包板
- 阻尼隔振光学平台
- 气浮隔振光学平台
- 光学罩箱
- 光学平台支架
- 仪器架
- 工作站
- 光学仪器
- 光栅单色仪
- 光源
- 锁相放大器
- 光学元件
- 透镜
- 反射镜
- 棱镜、偏振片
- 波片
- 滤光片
- 光栅、显微物镜
- 激光防护眼镜
- 订制系统
产品介绍
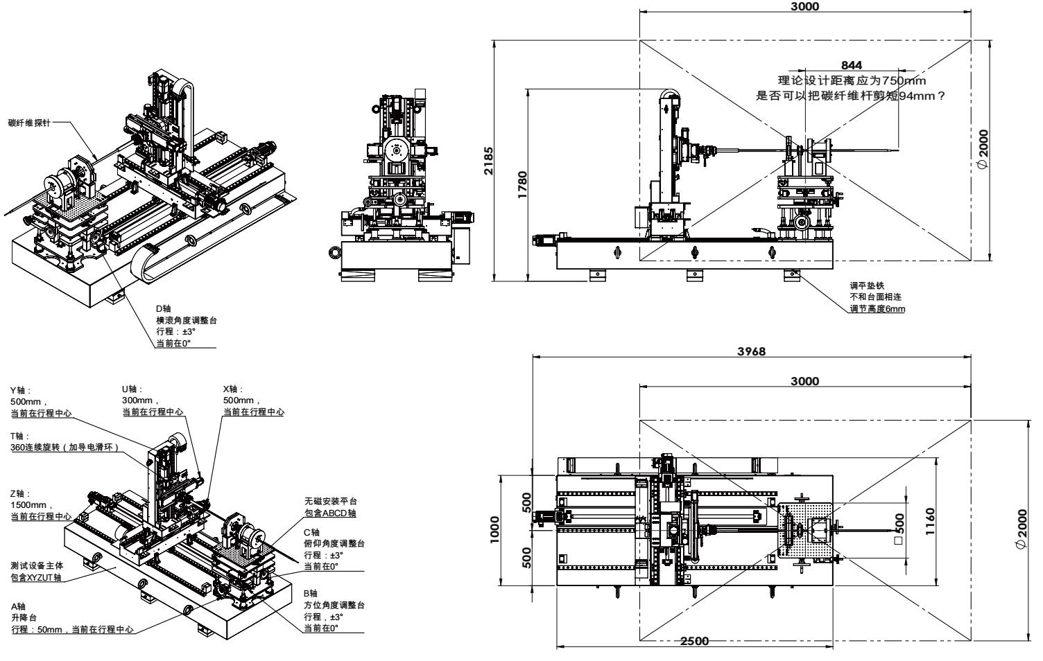
平台 以大 理石平 台为 基座,水平 最长轴 为 Z 方 向,竖 直为 Y 方向,水平短轴为 X 方向,在 XYZ 三坐标平移 的基础上,需平行 Z 轴,增加 一 组旋转机构 T 轴,T 轴 为 0~360 ° 旋 转 台,U 轴 安 装 在 T 轴 台 面 上,实 现 旋转半径的调整。
产品参数
运动轴 | X 轴 | Y 轴 | Z 轴 | U轴 | T 轴 |
有效行程 | 500mm | 500mm | 1500mm | 300mm | 360° |
分辨率 | 1μm | 0.01° | |||
定位精度 | ±10μm | ±10μm | ±80μm | ±10μm | ±0.05° |
重复精度 | ±2μm | ±2μm | ±40μm | ±2μm | ±0.02° |
运动速度 | 1~30mm/s | 1-10° /s | |||
直线度 | ≤ ±10μm | ≤ ±10μm | ≤ ±10μm | ≤ ±10μm | |
产品图纸





