产品中心
- 电控位移台
- HMRS电控旋转台系列
- HMTS精密电控平移台
- HMGC精密电控倾斜台
- HMVS精密电控升降台
- HMDOM整体多维电控镜架
- HMTMS整体多维电控平移台
- PAM系列压电螺钉致动器
- SMC步进电机控制器
- 电控位移台组合示例
- 手动位移台
- BPRS精密旋转台系列
- BPTS精密平移台系列
- BVTS精密升降台系列
- BTP精密倾斜台系列
- BTG精密角位台系列
- BTMS整体多轴位移台系列
- 手动位移台组合系列
- 光学调整架
- 新品镜架
- 光束转折镜架
- 光学衰减镜架
- 可调/同轴透镜架
- 反射/分光镜架系列
- 五维干涉仪镜架
- 万向镜架
- 可调式底片固定架
- 棱镜台
- 偏光镜架
- 光阑系列
- 狭缝系列
- 观察屏/激光挡板
- 光纤调整架
- 精密光纤调整架
- 光纤调整架配件
- 支杆底座
- 底板系列
- 压板系列
- 磁力底座
- 接杆系列
- 杆架系列
- 支撑棒系列
- 直角固定块系列
- 光学滑轨系列
- 光具座配件
- 光学平台
- 光学平板
- 光学面包板
- 阻尼隔振光学平台
- 气浮隔振光学平台
- 光学罩箱
- 光学平台支架
- 仪器架
- 工作站
- 光学仪器
- 光栅单色仪
- 光源
- 锁相放大器
- 光学元件
- 透镜
- 反射镜
- 棱镜、偏振片
- 波片
- 滤光片
- 光栅、显微物镜
- 激光防护眼镜
- 订制系统
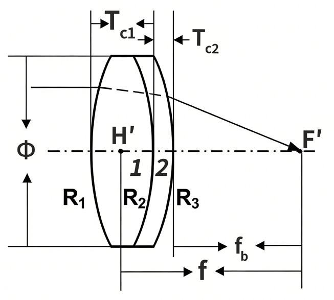
材料:无色光学玻璃 焦距误差:±2%
设计波长:587.6nm
中心厚度误差:±0.2mm 光圈 (@633nm):<3
不规则度 (@633nm):<0.5 面型:<λ/4@632.8nm
通光孔径:>90%
倒边:0.2mm×45。
镀膜: 单层 MgF2 增透膜 @550nm
正胶合产品:
型号 | 材料 | 直径 (mm) | 焦距 (mm) | 中心厚度 (mm) | 背焦 (mm) |
OCL51-10-16 | K9+ZF2 | 10 | 16 | 6.30 | 12.601 |
OCL51-10-20 | K9+ZF2 | 10 | 20 | 6.37 | 17.223 |
OCL51-12.7-25 | K9+ZF2 | 12.7 | 25 | 5.6 | 22.25 |
OCL51-12.7-30 | K9+ZF2 | 12.7 | 30 | 5.3 | 27.36 |
OCL51-12.7-40 | K9+ZF2 | 12.7 | 40 | 4.7 | 37.78 |
OCL51-12.7-50 | K9+ZF2 | 12.7 | 50 | 4.4 | 48 |
OCL51-12.7-60 | K9+ZF2 | 12.7 | 60 | 4.1 | 58.13 |
OCL51-12.7-75 | K9+ZF2 | 12.7 | 75 | 4.1 | 73.23 |
OCL51-25.4-50 | ZBaF52+ZF4 | 25.4 | 50 | 9.8 | 44.52 |
OCL51-25.4-75 | K9+ZF2 | 25.4 | 775 | 8.5 | 70.39 |
OCL51-25.4-100 | K9+ZF2 | 25.4 | 100 | 6.5 | 97.05 |
OCL51-25.4-125 | K9+ZF2 | 25.4 | 125 | 6.1 | 120.9 |
OCL51-25.4-150 | K9+ZF2 | 25.4 | 150 | 5.8 | 146.1 |
OCL51-31.5-160 | K9+ZF2 | 31.5 | 160 | 7.34 | 156.540 |
OCL51-31.5-200 | K9+ZF2 | 31.5 | 200 | 6.11 | 196.903 |
负胶合产品:
型号 | 材料 | 直径 (mm) | 焦距 (mm) | 中心厚度 (mm) | 背焦 (mm) |
OCL52-12.5-25 | K9+ZF2 | 12.5 | -25 | 5.67 | -27.5 |
OCL52-12.5-40 | K9+ZF2 | 12.5 | -40 | 5.34 | -42.5 |
OCL52-25.0-50 | K9+ZF2 | 25.0 | -50 | 7.22 | -53.3 |
OCL52-25.0-100 | K9+ZF2 | 25.0 | -100 | 6.60 | -102.6 |
OCL52-40.0-150 | K9+ZF2 | 40.0 | -150 | 6.75 | -151.5 |
OCL52-40.0-200 | K9+ZF2 | 40.0 | -200 | 5.95 | -201.1 |
注:部分规格可加工石英材料透镜。







