产品中心
- 电控位移台
- HMRS电控旋转台系列
- HMTS精密电控平移台
- HMGC精密电控倾斜台
- HMVS精密电控升降台
- HMDOM整体多维电控镜架
- HMTMS整体多维电控平移台
- PAM系列压电螺钉致动器
- SMC步进电机控制器
- 电控位移台组合示例
- 手动位移台
- BPRS精密旋转台系列
- BPTS精密平移台系列
- BVTS精密升降台系列
- BTP精密倾斜台系列
- BTG精密角位台系列
- BTMS整体多轴位移台系列
- 手动位移台组合系列
- 光学调整架
- 新品镜架
- 光束转折镜架
- 光学衰减镜架
- 可调/同轴透镜架
- 反射/分光镜架系列
- 五维干涉仪镜架
- 万向镜架
- 可调式底片固定架
- 棱镜台
- 偏光镜架
- 光阑系列
- 狭缝系列
- 观察屏/激光挡板
- 光纤调整架
- 精密光纤调整架
- 光纤调整架配件
- 支杆底座
- 底板系列
- 压板系列
- 磁力底座
- 接杆系列
- 杆架系列
- 支撑棒系列
- 直角固定块系列
- 光学滑轨系列
- 光具座配件
- 光学平台
- 光学平板
- 光学面包板
- 阻尼隔振光学平台
- 气浮隔振光学平台
- 光学罩箱
- 光学平台支架
- 仪器架
- 工作站
- 光学仪器
- 光栅单色仪
- 光源
- 锁相放大器
- 光学元件
- 透镜
- 反射镜
- 棱镜、偏振片
- 波片
- 滤光片
- 光栅、显微物镜
- 激光防护眼镜
- 订制系统
产品参数
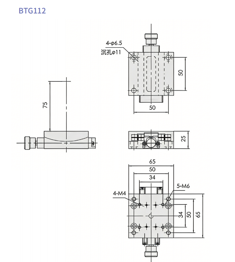
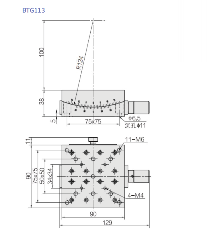
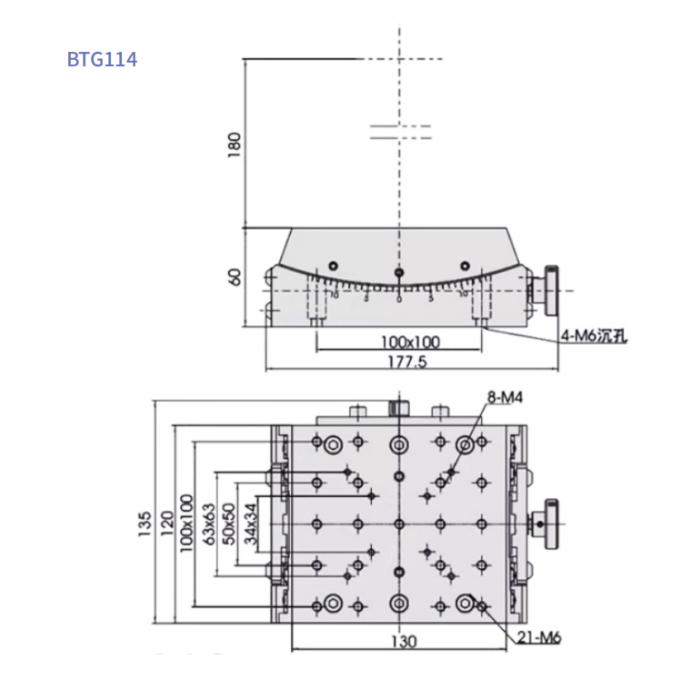
型号 | BTG111 | BTG112 | BTG113 | BTG114 | BTG115 |
台面尺寸 (mm) | 40×40 | 65×65 | 90×90 | 120×130 | 160×160 |
角度范围 | ±10° | ±10° | ±15° | ±10° | ±20° |
最小读数 | 0.1° | 6′ | 5′ | 1° | 0.05° |
最小刻度 | 0.1° | 1° | 1° | 1° | 0.1° |
中心高 (mm) | 40 | 75 | 100 | 180 | 97.5 |
传动方式 | 蜗轮蜗杆驱动 | 精密螺杆 | |||
传动比 | 240 | 352 | 480 | 300 | |
负载 (kg) | 3 | 10 | 15 | 40 | 25 |
自重 (kg) | 0.15 | 0.52 | 1.1 | 3.5 | 3.15 |
产品图纸










